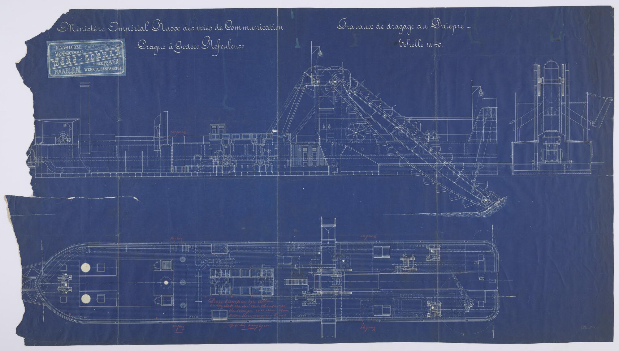
Algemeen plan van de emmerbaggermolen 'Dnjepr IV'
Werf 't Kromhout
1897
Algemeen plan van de emmerbaggermolen "Dnjepr IV".
1995.3465b
algemeen plan

technische tekening
Het Scheepvaartmuseum
Uitgebreide informatie