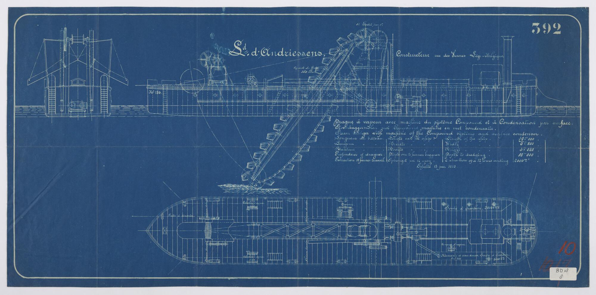
Algemeen plan van een baggermolen, met 10m baggerdiepte
Firma H. Bernhard
1889
Algemeen plan van een baggermolen, met 10m baggerdiepte.
S.5181(683)
algemeen plan

technische tekening
Het Scheepvaartmuseum
Uitgebreide informatie