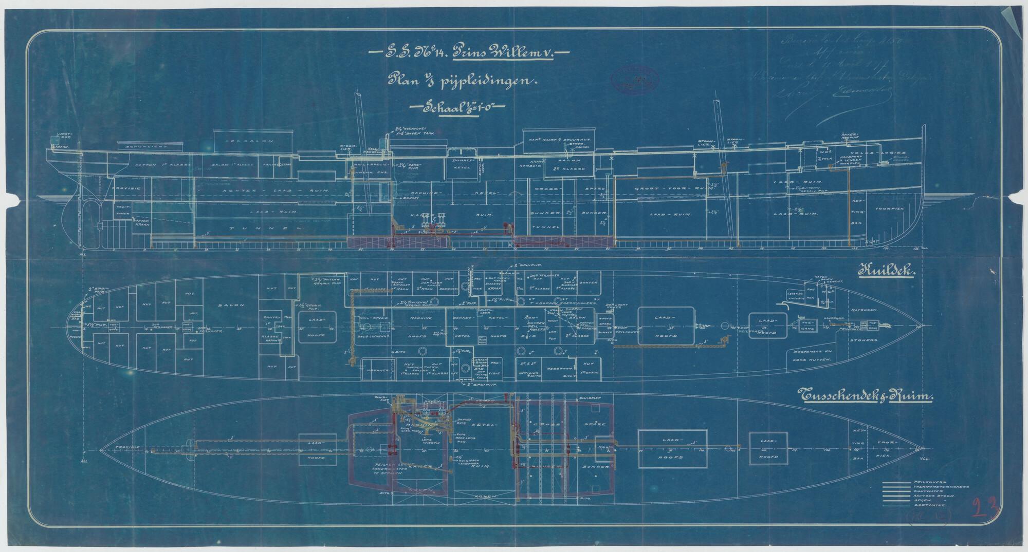
Plan van de pijpleidingen van het passagiersschip ss. Prins Willem V voor de KWIM
NSM (toegeschreven aan)
1897
Plan van de pijpleidingen van het passagiersschip ss. Prins Willem V voor de KWIM.
S.5444(008C.12)
technische tekening
Het Scheepvaartmuseum
Uitgebreide informatie