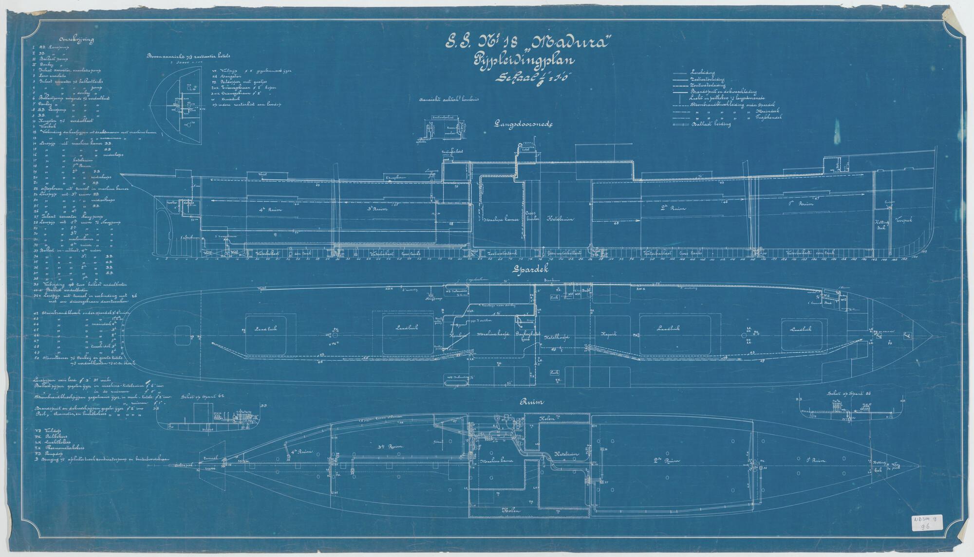
Pijpleidingen van het vrachtschip ss. Madura voor de SMN
NSM (toegeschreven aan)
1898
Pijpleidingen van het vrachtschip ss. Madura voor de Stoomvaart-Maatschappij Nederland (SMN).
S.5444(009.06)
technische tekening
Het Scheepvaartmuseum
Uitgebreide informatie