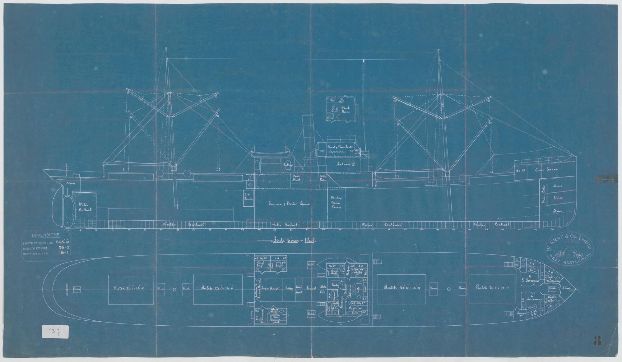
Algemeen plan van het vrachtschip ss. Heelsum van de Stoomvaart Maatschappij Oostzee
NSM (toegeschreven aan)
1899
Algemeen plan van het vrachtschip ss. Heelsum van de Stoomvaart Maatschappij Oostzee.
S.5444(013.07)
algemeen plan

technische tekening
Het Scheepvaartmuseum
Uitgebreide informatie