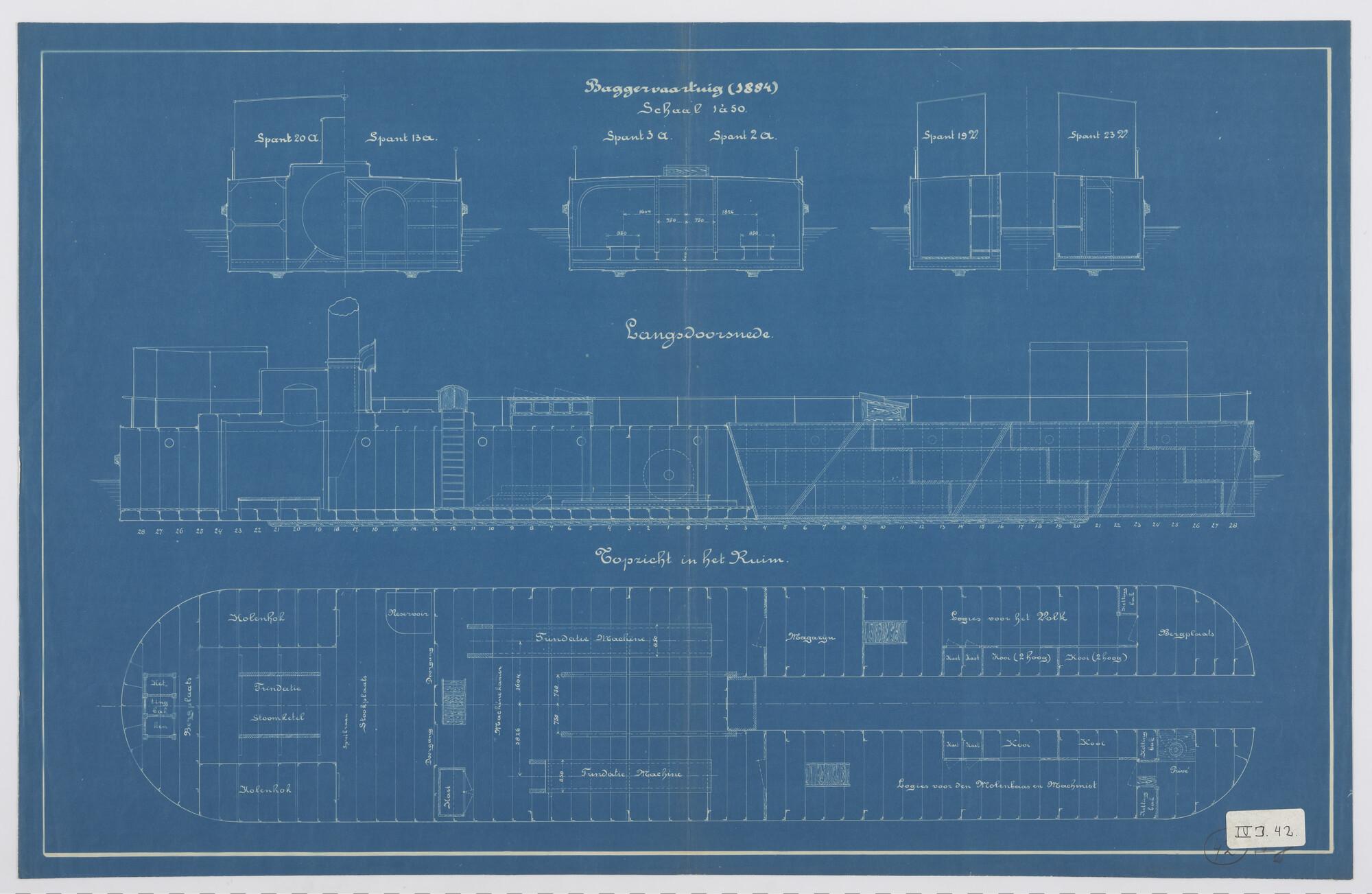
Dwarsdoorsnede van een baggervaartuig 1884
anoniem
1884
Dwarsdoorsnede van een baggervaartuig 1884.
2016.0469
technische tekening
Het Scheepvaartmuseum
Uitgebreide informatie