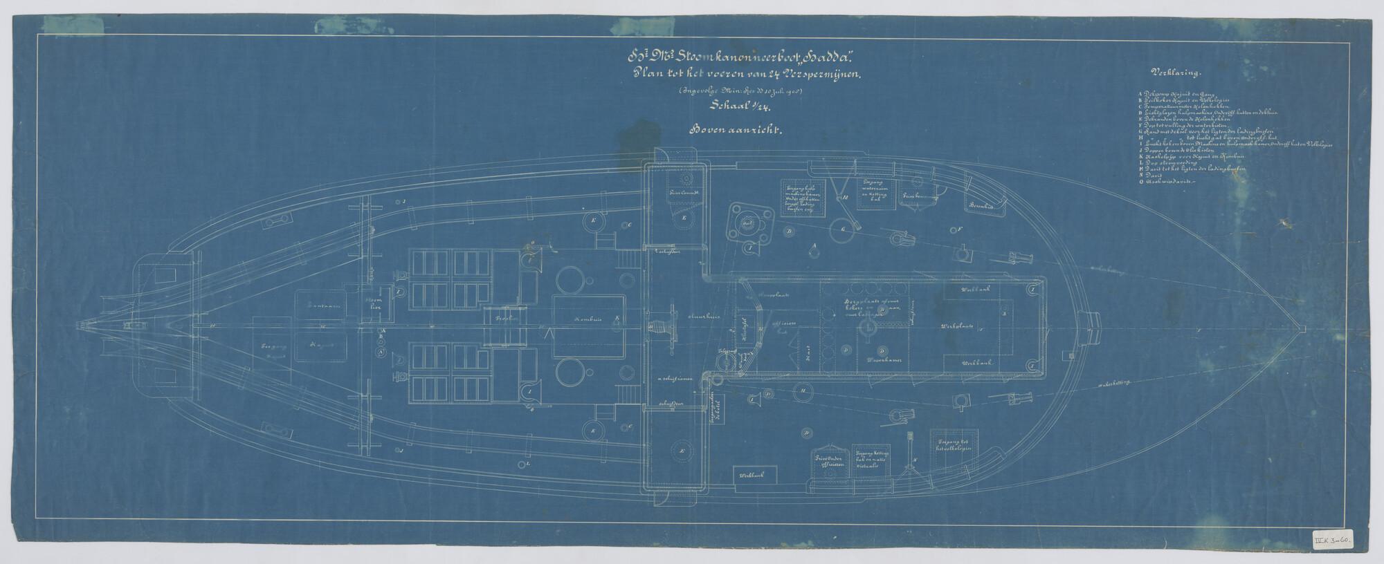
De stoomkanonneerboot Zr.Ms. 'Hadda', 1879
anoniem
1879
De stoomkanonneerboot Zr.Ms. "Hadda", 1879. bovenaanzicht, 1908.
S.0780(12)07
technische tekening
Het Scheepvaartmuseum
Uitgebreide informatie