Verticale langsdoorsnede en horizontale langsdoorsnede van een sleepboot
anoniem
1850 - 1899
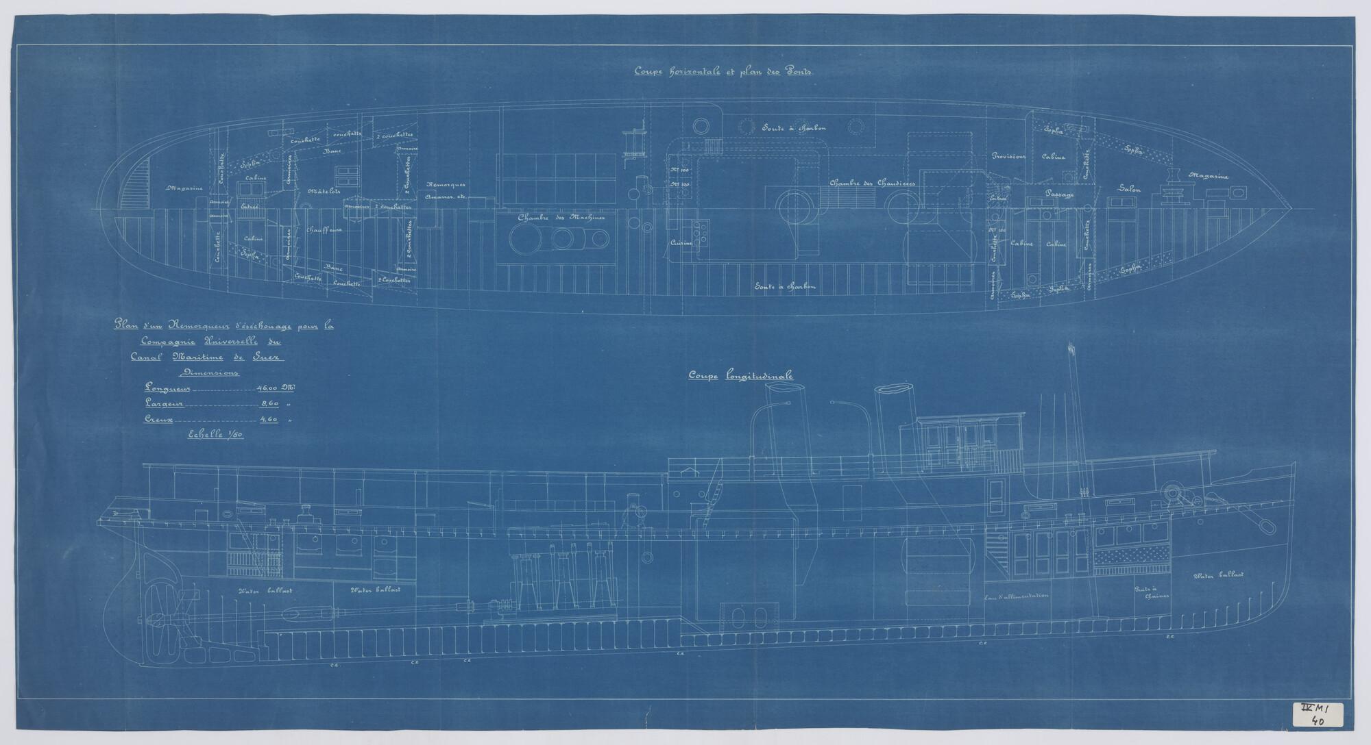
Verticale langsdoorsnede en horizontale langsdoorsnede van een sleepboot van de Suez-kanaal maatschappij.
2017.0354
technische tekening
Het Scheepvaartmuseum
Uitgebreide informatie