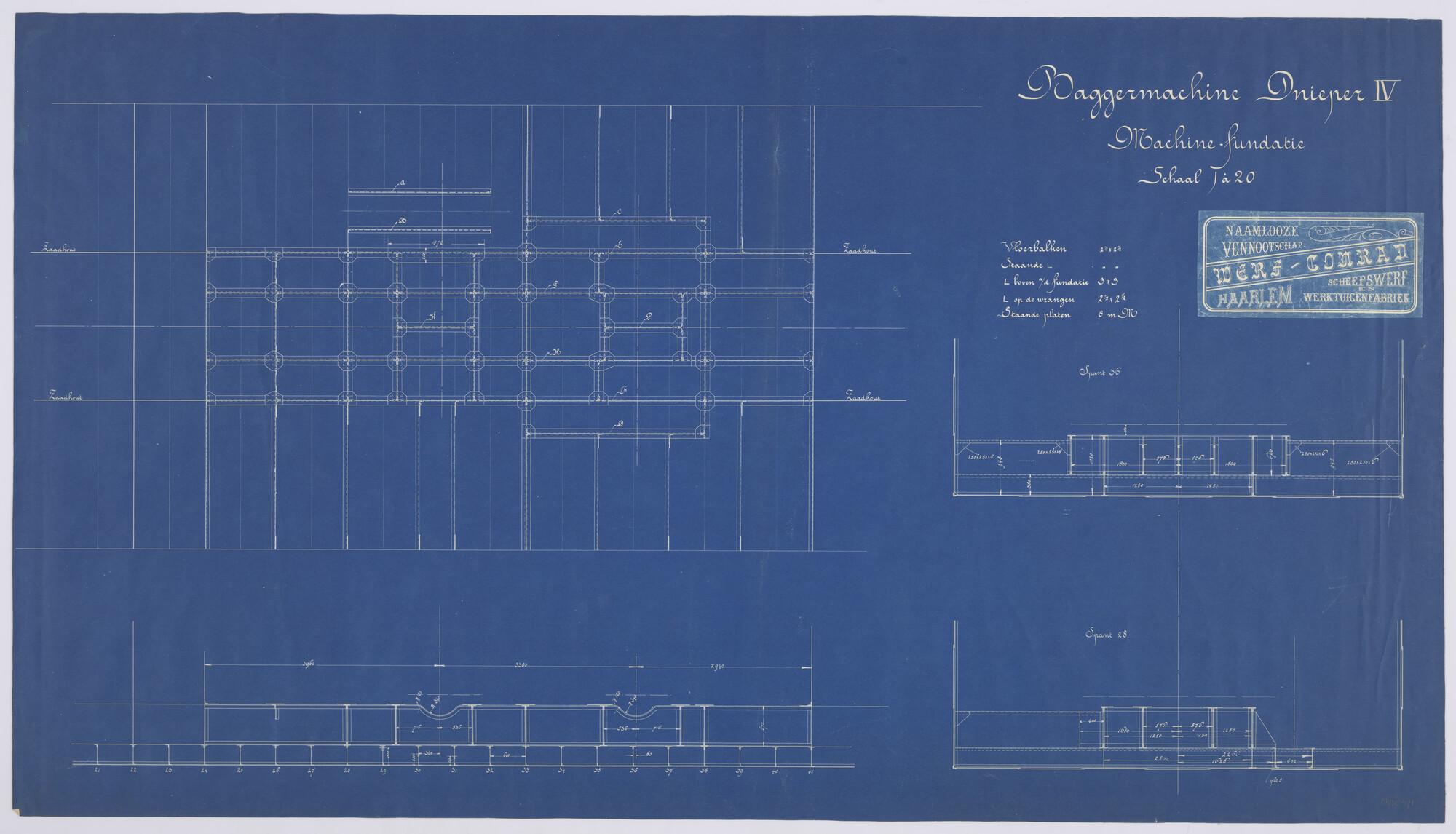
Machinefundatie van de emmerbaggermolen 'Dnjepr IV'
Werf 't Kromhout
1897
Machinefundatie van de emmerbaggermolen "Dnjepr IV".
1995.3471
technische tekening
Het Scheepvaartmuseum
Uitgebreide informatie