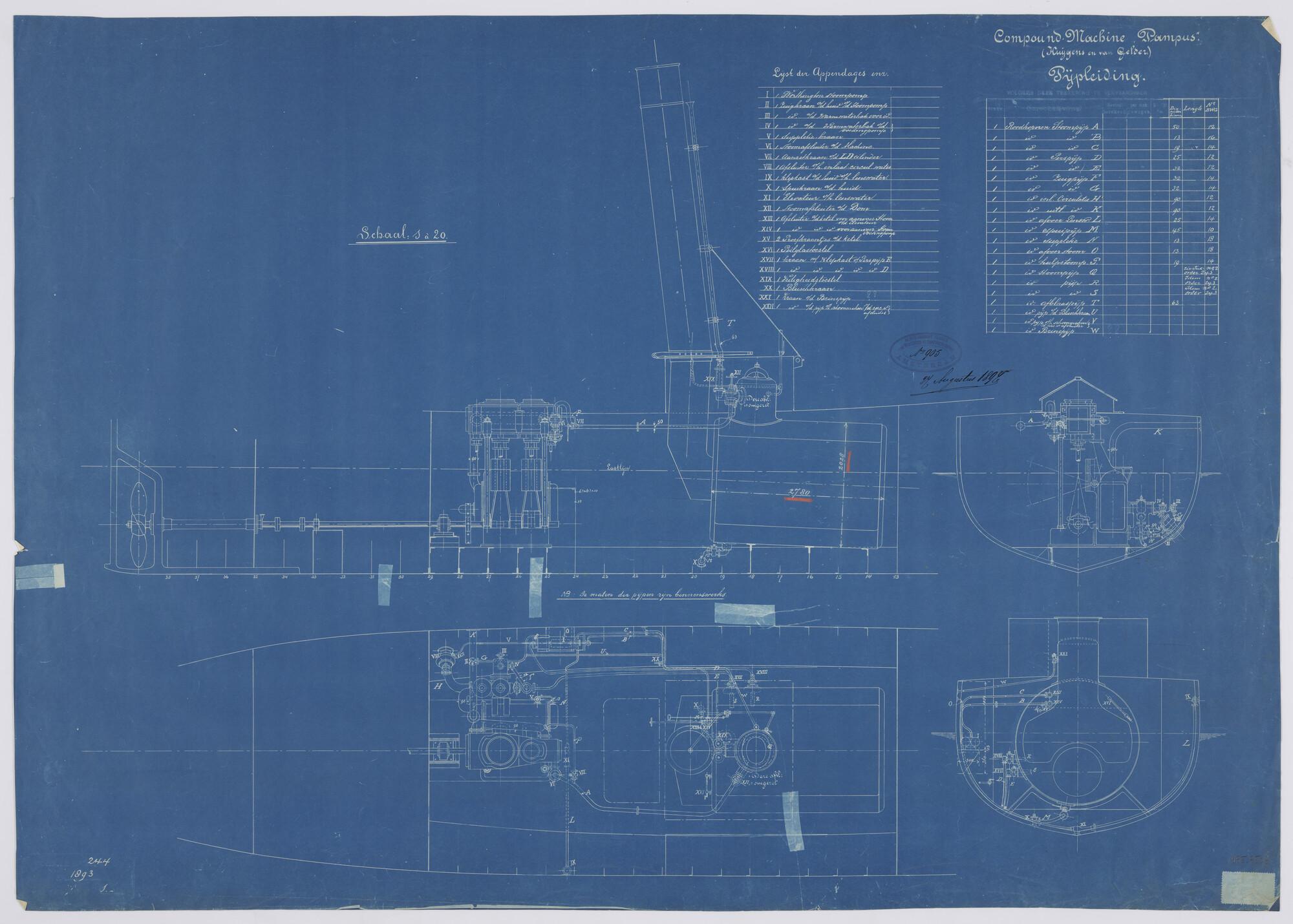
Pijpleidingplan voor ss. Pampus, vermoedelijkk gebruikt als voorbeeld voor vrachtschip ss. Dokkum
Huygens & van Gelder
Werf 't Kromhout
1897
Pijpleidingplan voor ss. Pampus, vermoedelijkk gebruikt als voorbeeld voor vrachtschip ss. Dokkum.
1995.3503
technische tekening
Het Scheepvaartmuseum
Uitgebreide informatie