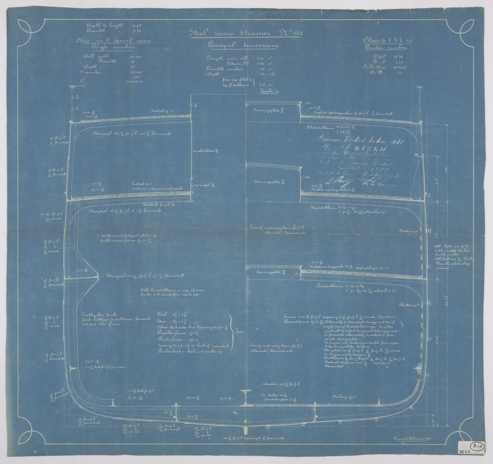
Grootspant van het passagiersschip ss. Prins Willem III
Fijenoord, scheepswerf
1889-02
Technische tekening, een grootspant van het passagiersschip ss. Prins Willem III
2021.0265
grootspanttekening

technische tekening
Het Scheepvaartmuseum
Uitgebreide informatie